|

I. Description
Steel plastic composite pipeline and pipe fitting are manufactured with metal thin walled tube and engineering plastic. It has high strength and rigidity, and excellent corrosion resistance.
II. Specification and size
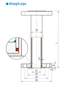
| DN |
D1 |
D2 |
D3 |
D4 |
D5 |
n-d |
B |
S |
L |
| 25 |
25 |
65 |
85 |
115 |
35 |
4-Ф14 |
16 |
2.5 |
100mm to 4000mm at customer's request |
| 32 |
31 |
75 |
100 |
140 |
42 |
4-Ф18 |
18 |
2.5 |
| 40 |
36 |
80 |
110 |
150 |
48 |
4-Ф18 |
18 |
3 |
| 50 |
48 |
95 |
125 |
165 |
60 |
4-Ф18 |
20 |
3 |
| 65 |
62 |
118 |
145 |
185 |
76 |
8-Ф18 |
20 |
3.5 |
| 80 |
74 |
130 |
160 |
200 |
89 |
8-Ф18 |
20 |
3.5 |
| 100 |
96 |
155 |
180 |
220 |
114 |
8-Ф18 |
22 |
4 |
| 125 |
121 |
180 |
210 |
250 |
140 |
8-Ф18 |
22 |
4 |
| 150 |
142 |
210 |
240 |
285 |
168 |
8-Ф22 |
24 |
6 |
| 200 |
193 |
265 |
295 |
340 |
219 |
8-Ф22 |
24 |
6 |
| DN1/DN2 |
D11 |
D12 |
D13 |
n-d1 |
D21 |
D22 |
D23 |
m-d2 |
L |
| 25/32 |
25 |
85 |
115 |
4-Ф14 |
31 |
100 |
140 |
4-Ф18 |
120 |
| 32/40 |
31 |
100 |
140 |
4-Ф18 |
36 |
110 |
150 |
4-Ф18 |
120 |
| 32/50 |
31 |
100 |
140 |
4-Ф18 |
48 |
125 |
165 |
4-Ф18 |
120 |
| 40/50 |
36 |
110 |
150 |
4-Ф18 |
48 |
125 |
165 |
4-Ф18 |
120 |
| 40/65 |
36 |
110 |
150 |
4-Ф18 |
62 |
145 |
185 |
8-Ф18 |
120 |
| 50/65 |
48 |
125 |
165 |
4-Ф18 |
62 |
145 |
185 |
8-Ф18 |
120 |
| 50/80 |
48 |
125 |
165 |
4-Ф18 |
74 |
160 |
200 |
8-Ф18 |
120 |
| 65/80 |
62 |
145 |
185 |
8-Ф18 |
74 |
160 |
200 |
8-Ф18 |
120 |
| 65/100 |
62 |
145 |
185 |
8-Ф18 |
96 |
180 |
220 |
8-Ф18 |
120 |
| 80/100 |
74 |
160 |
200 |
8-Ф18 |
96 |
180 |
220 |
8-Ф18 |
120 |
| 80/125 |
74 |
160 |
200 |
8-Ф18 |
121 |
210 |
250 |
8-Ф18 |
180 |
| 100/125 |
96 |
180 |
220 |
8-Ф18 |
121 |
210 |
250 |
8-Ф18 |
180 |
| 100/150 |
96 |
180 |
220 |
8-Ф18 |
142 |
240 |
285 |
8-Ф22 |
180 |
| 125/150 |
121 |
210 |
250 |
8-Ф18 |
142 |
240 |
285 |
8-Ф22 |
180 |
| 125/200 |
121 |
210 |
250 |
8-Ф18 |
193 |
295 |
340 |
8-Ф22 |
180 |
| 150/200 |
142 |
240 |
285 |
8-Ф22 |
193 |
295 |
340 |
8-Ф22 |
180 |
| DN |
D1 |
D2 |
D3 |
D4 |
D5 |
n-d |
B |
H |
| 25 |
25 |
55 |
85 |
115 |
35 |
4-Ф14 |
16 |
90 |
| 32 |
32 |
65 |
100 |
140 |
42 |
4-Ф18 |
18 |
105 |
| 40 |
40 |
75 |
110 |
150 |
48 |
4-Ф18 |
18 |
110 |
| 50 |
48 |
85 |
125 |
165 |
60 |
4-Ф18 |
20 |
110 |
| 65 |
64 |
105 |
145 |
185 |
76 |
8-Ф18 |
20 |
145 |
| 80 |
73 |
120 |
160 |
200 |
89 |
8-Ф18 |
20 |
135 |
| 100 |
96 |
145 |
180 |
220 |
114 |
8-Ф18 |
22 |
165 |
| 125 |
121 |
175 |
210 |
250 |
140 |
8-Ф18 |
22 |
175 |
| 150 |
142 |
200 |
240 |
285 |
168 |
8-Ф22 |
24 |
175 |
| 200 |
193 |
255 |
295 |
340 |
219 |
8-Ф22 |
24 |
220 |
| DN |
D1 |
D2 |
D3 |
D4 |
D5 |
n-d |
B |
H |
| 25 |
25 |
55 |
85 |
115 |
35 |
4-Ф14 |
16 |
90 |
| 32 |
31 |
65 |
100 |
140 |
42 |
4-Ф18 |
18 |
95 |
| 40 |
36 |
75 |
110 |
150 |
48 |
4-Ф18 |
18 |
100 |
| 50 |
48 |
85 |
125 |
165 |
60 |
4-Ф18 |
20 |
110 |
| 65 |
61 |
105 |
145 |
185 |
76 |
8-Ф18 |
20 |
120 |
| 80 |
73 |
120 |
160 |
200 |
89 |
8-Ф18 |
20 |
135 |
| 100 |
96 |
145 |
180 |
220 |
114 |
8-Ф18 |
22 |
165 |
| 125 |
121 |
175 |
210 |
250 |
140 |
8-Ф18 |
22 |
175 |
| 150 |
142 |
200 |
240 |
285 |
168 |
8-Ф22 |
24 |
175 |
| 200 |
193 |
255 |
295 |
340 |
219 |
8-Ф22 |
24 |
220 |
| DN |
D1 |
D2 |
D3 |
D4 |
n-d |
B |
H |
| 25 |
24 |
55 |
85 |
115 |
4-Ф14 |
16 |
90 |
| 32 |
32 |
65 |
100 |
140 |
4-Ф18 |
18 |
105 |
| 40 |
40 |
75 |
110 |
150 |
4-Ф18 |
18 |
110 |
| 50 |
48 |
85 |
125 |
165 |
4-Ф18 |
20 |
130 |
| 65 |
64 |
105 |
145 |
185 |
8-Ф18 |
20 |
145 |
| 80 |
73 |
120 |
160 |
200 |
8-Ф18 |
20 |
135 |
| 100 |
96 |
145 |
180 |
220 |
8-Ф18 |
22 |
165 |
| 125 |
120 |
175 |
210 |
250 |
8-Ф18 |
22 |
175 |
| 150 |
142 |
200 |
240 |
285 |
8-Ф22 |
24 |
175 |
| 200 |
193 |
255 |
295 |
340 |
8-Ф22 |
24 |
220 |
| DN |
D1 |
D2 |
D3 |
D4 |
n-d |
B |
L |
| 25 |
24 |
55 |
85 |
115 |
4-Ф14 |
16 |
50 |
| 32 |
30 |
65 |
100 |
140 |
4-Ф18 |
18 |
50 |
| 40 |
35 |
75 |
110 |
150 |
4-Ф18 |
18 |
60 |
| 50 |
48 |
85 |
125 |
165 |
4-Ф18 |
20 |
65 |
| 65 |
58 |
105 |
145 |
185 |
8-Ф18 |
20 |
70 |
| 80 |
73 |
120 |
160 |
200 |
8-Ф18 |
20 |
75 |
| 100 |
96 |
145 |
180 |
220 |
8-Ф18 |
22 |
80 |
| 125 |
120 |
175 |
210 |
250 |
8-Ф18 |
22 |
95 |
| 150 |
142 |
200 |
240 |
285 |
8-Ф22 |
24 |
105 |
| 200 |
193 |
255 |
295 |
340 |
8-Ф22 |
24 |
140 |
|