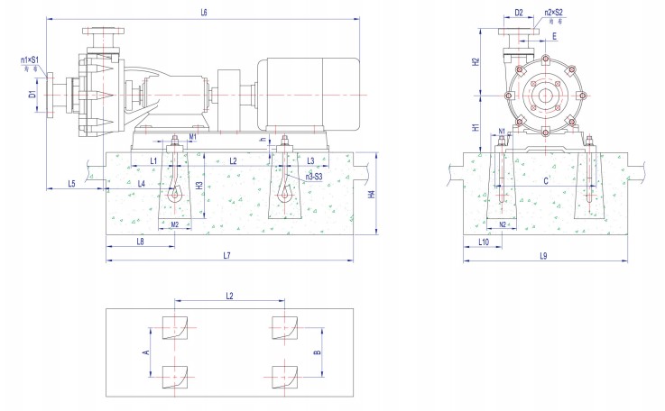
1. View from inlet of pump, outlet is on the left of pump center: 32FTU-15, 32FTU-20, 40FTU-50, 50FTU-30, 65FTU-54, 80FTU-30, 100FTU-40, 100FTU-48;

Mo
del |
Overall dimensions and installation dimension (mm) |
|
|
|
|
|
|
|
|
|
|
Weigh
- t(Kg) |
| h |
n3
-
S3 |
A |
B |
C |
E |
H1 |
H2 |
L1 |
L2 |
L3 |
L4 |
L5 |
L6 |
D1 |
n1
×
S1 |
D2 |
n2×
S2 |
M1 |
M2 |
N1 |
N2 |
H3 |
L7 |
L8 |
L9 |
L10 |
H4 |
With
- out
ass
-ocia
- ted
impe
- ller |
With
ass
-ocia
- ted
impe
- ller |
With
-out
asso
-ciat
-ed
impe
-ller |
With
asso
- cia
-ted
impe
- ller |
32
FTU
-15 |
20 |
4-
M
16
×
300 |
260 |
260 |
30
0 |
74 |
165 |
187 |
83 |
336 |
71 |
19
6.5 |
/ |
171 |
820 |
/ |
100 |
4
×
φ
18 |
85 |
4×
φ14 |
90 |
120 |
80 |
110 |
380 |
70
0 |
182 |
500 |
120 |
450 |
68 |
32
FTU
-20 |
20 |
4-
M
16
×
300 |
260 |
260 |
30
0 |
81 |
165 |
192 |
97 |
336 |
97 |
19
8 |
22
6 |
201 |
90
3 |
11
29 |
100 |
4
×
φ
18 |
85 |
4×
φ14 |
90 |
120 |
80 |
110 |
380 |
70
0 |
182 |
500 |
120 |
450 |
76 |
40
FTU
-50 |
25 |
4-
M
16
×
400 |
380 |
380 |
44
0 |
12
2.5 |
248 |
290 |
190 |
480 |
19
3 |
31
5.5 |
/ |
220 |
13
28 |
/ |
110 |
4
×
φ
18 |
100 |
4×
φ18 |
90 |
120 |
80 |
110 |
480 |
11
00 |
310 |
700 |
160 |
550 |
260 |
50
FTU
-30 |
25 |
4-
M
16
×
300 |
320 |
320 |
37
0 |
98 |
208 |
247 |
160 |
400 |
16
0 |
26
0 |
30
2 |
207 |
11
40 |
11
82 |
125 |
4
×
φ
18 |
110 |
4×
φ18 |
90 |
120 |
80 |
110 |
380 |
90
0 |
250 |
600 |
140 |
450 |
157 |
65
FTU
-54 |
28 |
4-
M16
×
400 |
330 |
420 |
47
0 |
12
6 |
310 |
347 |
184 |
620 |
21
6 |
33
5 |
33
5 |
275 |
15
10 |
15
10 |
145 |
4
×
φ
18 |
125 |
4×
φ18 |
90 |
120 |
80 |
110 |
480 |
12
50 |
300 |
700 |
140 |
550 |
338 |
80
FTU
-30 |
30 |
4-
M
16
×
400 |
450 |
450 |
53
0 |
11
0 |
290 |
327 |
195 |
482 |
19
5 |
31
8 |
34
5 |
272 |
13
82 |
14
09 |
160 |
8
×
φ
18 |
145 |
4×
φ18 |
90 |
120 |
80 |
110 |
480 |
11
00 |
309 |
750 |
150 |
550 |
298 |
100
FTU
-40 |
30 |
4-
M
20
×
400 |
385 |
480 |
54
0 |
13
6 |
335 |
332 |
200 |
660 |
24
6 |
33
4 |
38
2.5 |
297 |
16
87 |
173
5.5 |
180 |
8
×
φ
18 |
160 |
8×
φ18 |
120 |
150 |
100 |
130 |
470 |
13
00 |
300 |
850 |
185 |
600 |
481 |
100
FTU
-48 |
30 |
4-
M
20
×
400 |
385 |
510 |
57
0 |
23
1 |
335 |
425 |
200 |
660 |
31
4 |
/ |
41
3 |
298 |
/ |
18
12 |
180 |
8
×
φ
18 |
160 |
8×
φ18 |
120 |
150 |
100 |
130 |
470 |
13
50 |
300 |
900 |
195 |
600 |
700 |
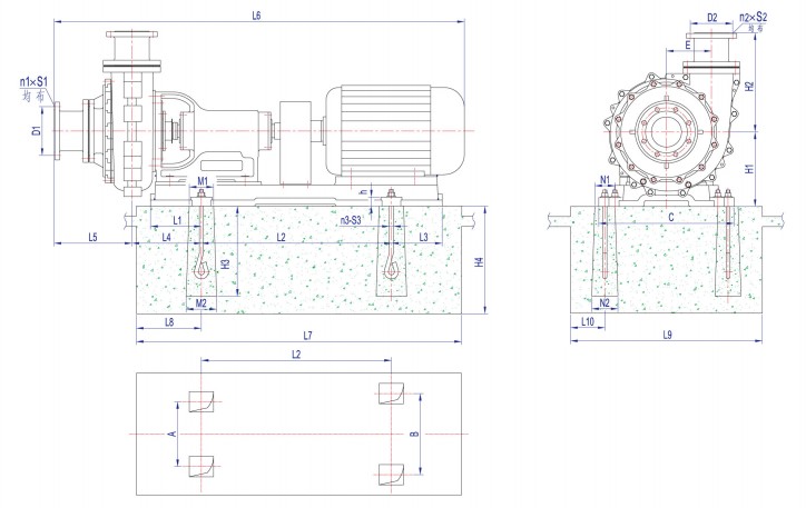
2. View from inlet of pump, outlet is on the right of pump center: 100FTU-35, 150FTU-42, 150FTU-26, 150FTU-48;

Mo
del |
Overall dimensions and installation dimension (mm) |
|
|
|
|
|
|
|
|
|
|
Weigh
- t(Kg) |
| h |
n3
-
S3 |
A |
B |
C |
E |
H1 |
H2 |
L1 |
L2 |
L3 |
L4 |
L5 |
L6 |
D1 |
n1
×
S1 |
D2 |
n2×
S2 |
M1 |
M2 |
N1 |
N2 |
H3 |
L7 |
L8 |
L9 |
L10 |
H4 |
With
- out
ass
-ocia
- ted
impe
- ller |
With
asso
-cia
-ted
impe
- ller |
With
- out
ass
-ocia
- ted
impe
- ller |
With
asso
-cia
-ted
impe
- lle |
100
FTU
-35 |
35 |
4-
M20
×
400 |
460 |
46
0 |
52
0 |
12
6 |
335 |
332 |
161 |
680 |
166 |
295 |
33
8.5 |
300 |
15
45 |
158
8.5 |
180 |
8
×
φ
18 |
160 |
8×
φ18 |
120 |
150 |
100 |
130 |
470 |
12
00 |
260 |
800 |
170 |
600 |
408 |
150
FTU
-42 |
45 |
4-
M20
×
500 |
510 |
61
0 |
67
0 |
22
3 |
370 |
492 |
250 |
935 |
250 |
342 |
38
3 |
383 |
20
15 |
20
56 |
240 |
8
×
φ
22 |
210 |
8×
φ18 |
120 |
150 |
100 |
130 |
560 |
16
00 |
320 |
950 |
170 |
700 |
890 |
150
FTU
-26 |
40 |
4-
M20
×
500 |
420 |
53
6 |
59
6 |
19
0 |
325 |
452 |
233 |
700 |
307 |
324 |
36
5 |
364 |
18
64 |
19
05 |
240 |
8
×
φ
22 |
210 |
8×
φ18 |
120 |
150 |
100 |
130 |
560 |
14
50 |
350 |
900 |
182 |
700 |
640 |
150
FTU
-48 |
45 |
4-
M20
×
500 |
510 |
61
0 |
67
0 |
22
3 |
400 |
492 |
212 |
935 |
345 |
/ |
38
2.5 |
383 |
/ |
224
0.5 |
240 |
8
×
φ
22 |
210 |
8×
φ18 |
120 |
150 |
100 |
130 |
560 |
17
00 |
320 |
950 |
170 |
700 |
950 |